Search
AE
Products
Industries
IIoT & Solutions
Service
Company
Products
Sensors
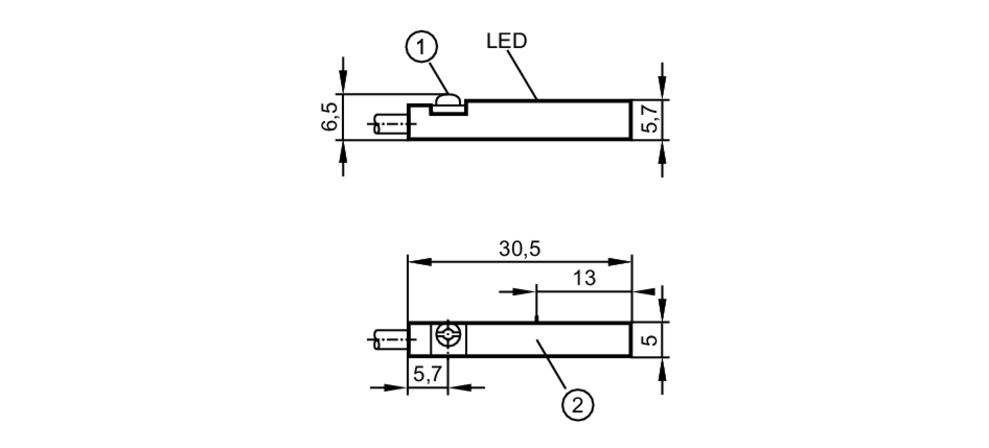
Cylinder sensors
All cylinder sensors
MR0100