Search
AE
Products
Industries
IIoT & Solutions
Service
Company
Products
Safety technology
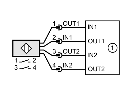
RFID-coded and magnetically coded safety sensors
Magnetically coded sensors
MN502S