Search
AE
Products
Industries
IIoT & Solutions
Service
Company
Products
Safety technology
RFID-coded and magnetically coded safety sensors
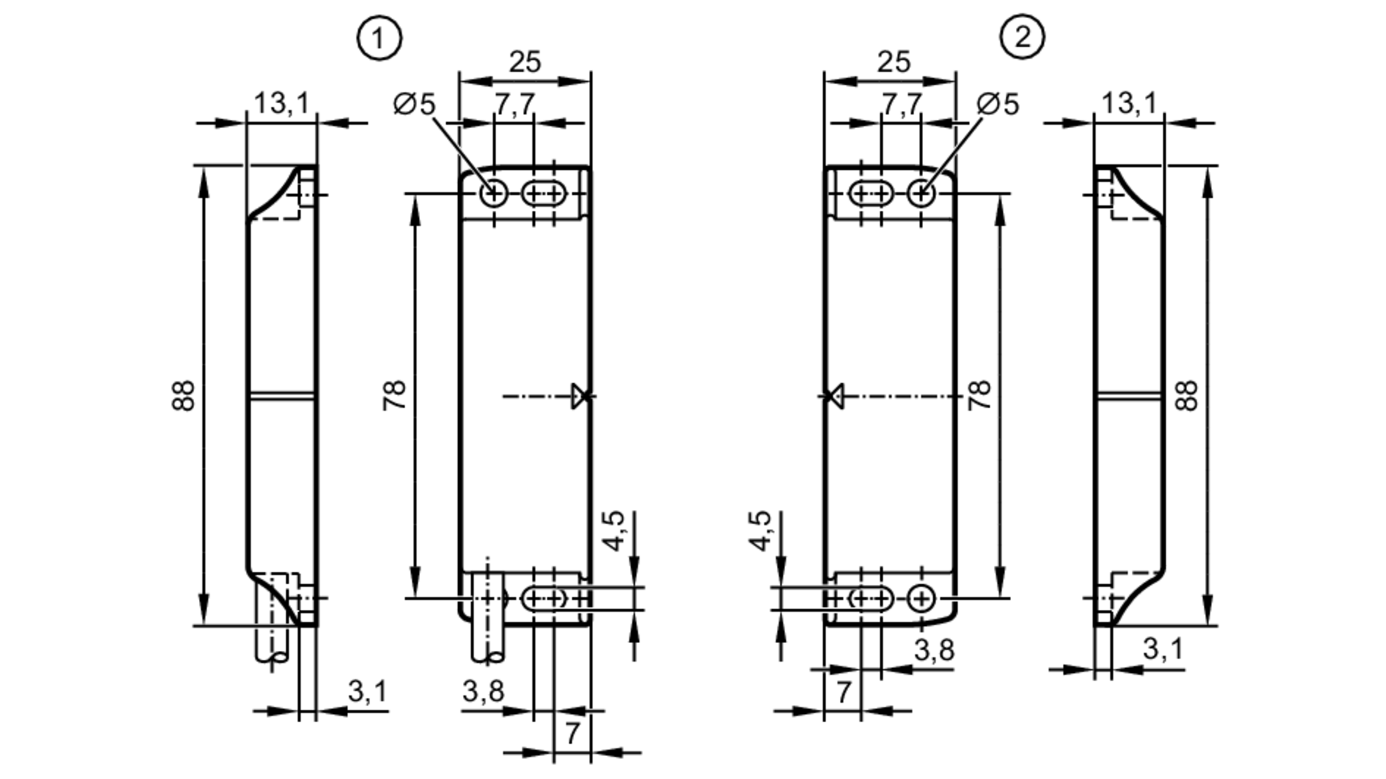
Magnetically coded sensors
MN500S