Search
AE
Products
Industries
IIoT & Solutions
Service
Company
Products
Sensors
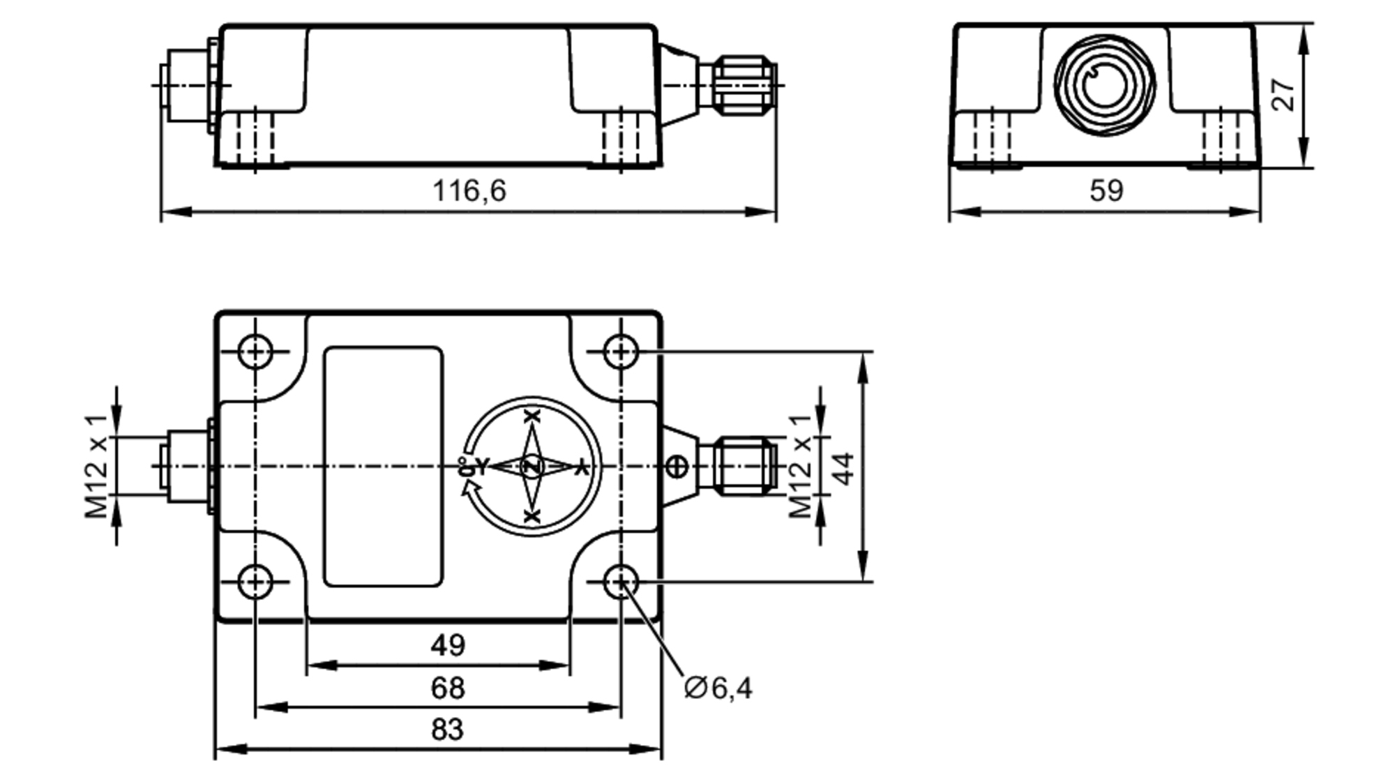
Inclination sensors
Dynamic inclination sensors / inertial measurement units (IMU)
JD2120