• Products
  • Industries
  • IIoT & Solutions
  • Service
  • Company
  1. Products
  2. Condition monitoring
  3. Systems for vibration monitoring and diagnostics
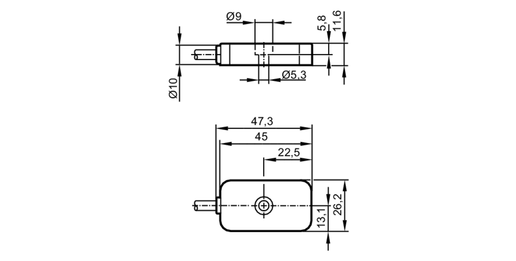
  4. Accelerometers
  5. VSM103