• Products
  • Industries
  • IIoT & Solutions
  • Service
  • Company
  1. Products
  2. Sensors
  3. Ultrasonic sensors
  4. All ultrasonic sensors
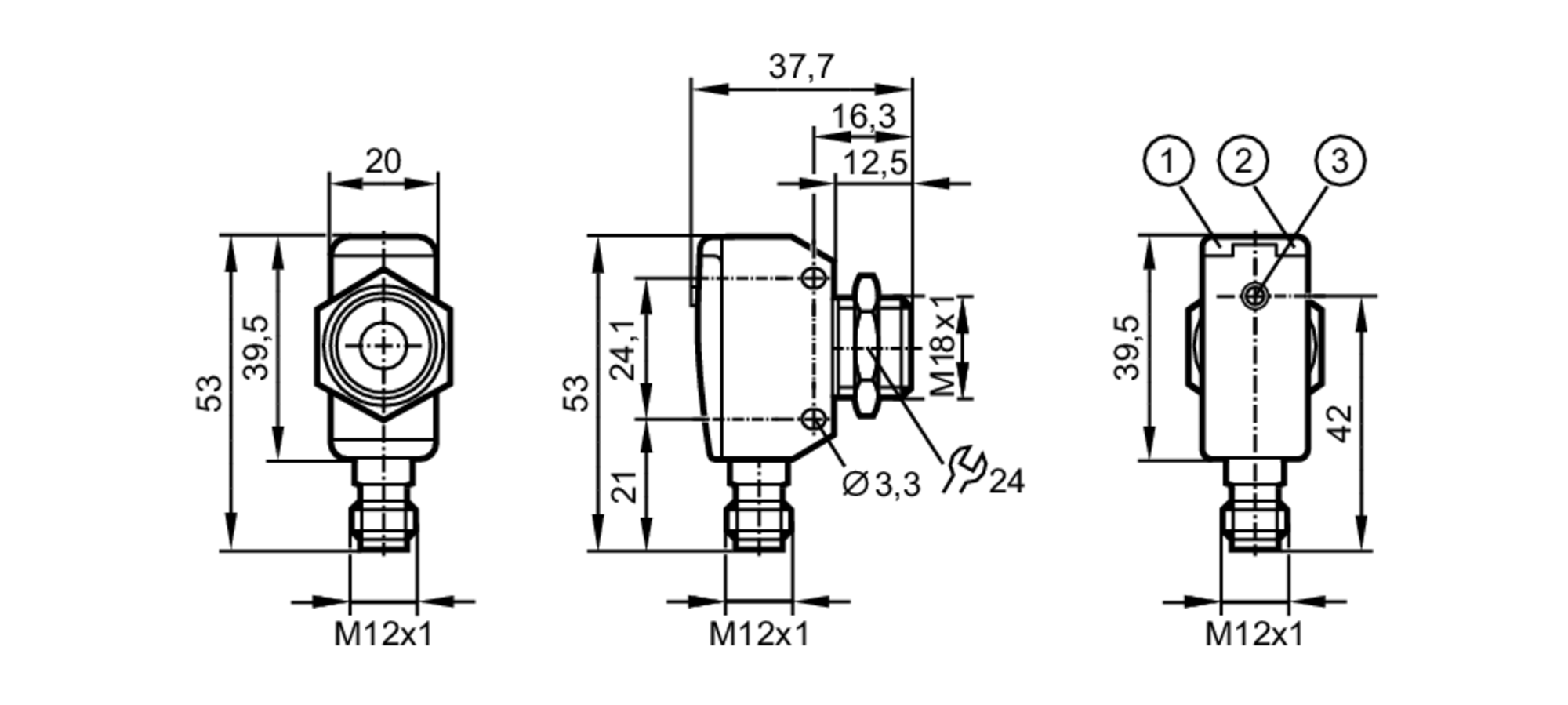
  5. UGT586