Search
SG
Products
Industries
IIoT & Solutions
Service
Company
Products
Safety technology
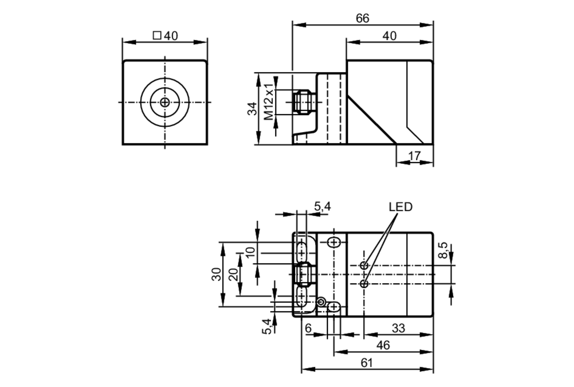
Fail-safe inductive sensors
Fail-safe inductive sensors
GM701S