• Products
  • Industries
  • IIoT & Solutions
  • Service
  • Company
  1. Products
  2. Safety technology
  3. Safety relays
  4. Safe speed monitoring
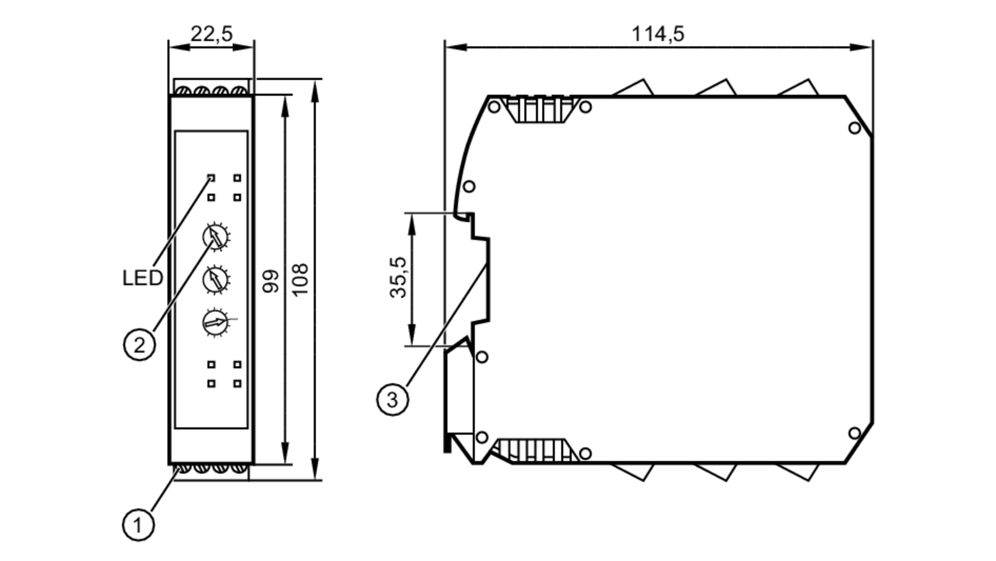
  5. DD110S