• Products
  • Industries
  • IIoT & Solutions
  • Service
  • Company
  1. Products
  2. Sensors
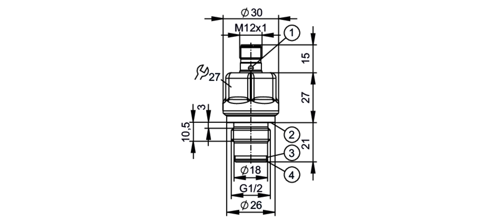
  3. Pressure sensors / Vacuum sensors
  4. Flush mountable for industrial applications
  5. PL1504