Search
LV
Products
Industries
IIoT & Solutions
Service
Company
Products
Accessories
Mounting accessories and fixing technology
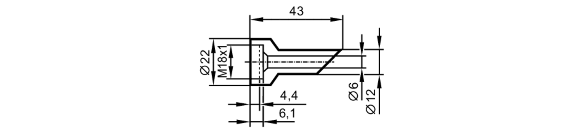
Mounting accessories for ultrasonic sensors
E23000