Search
LT
Products
Industries
IIoT & Solutions
Service
Company
Products
Condition monitoring
Flow meters for water
Ultrasonic flow meters
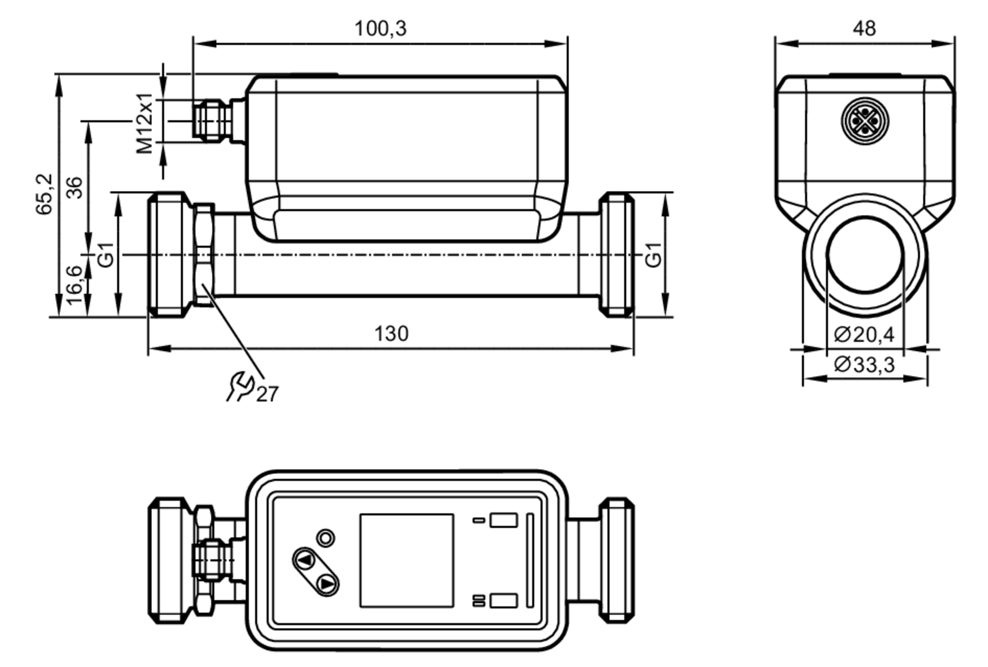
SU8020