Search
LT
Products
Industries
IIoT & Solutions
Service
Company
Products
Sensors
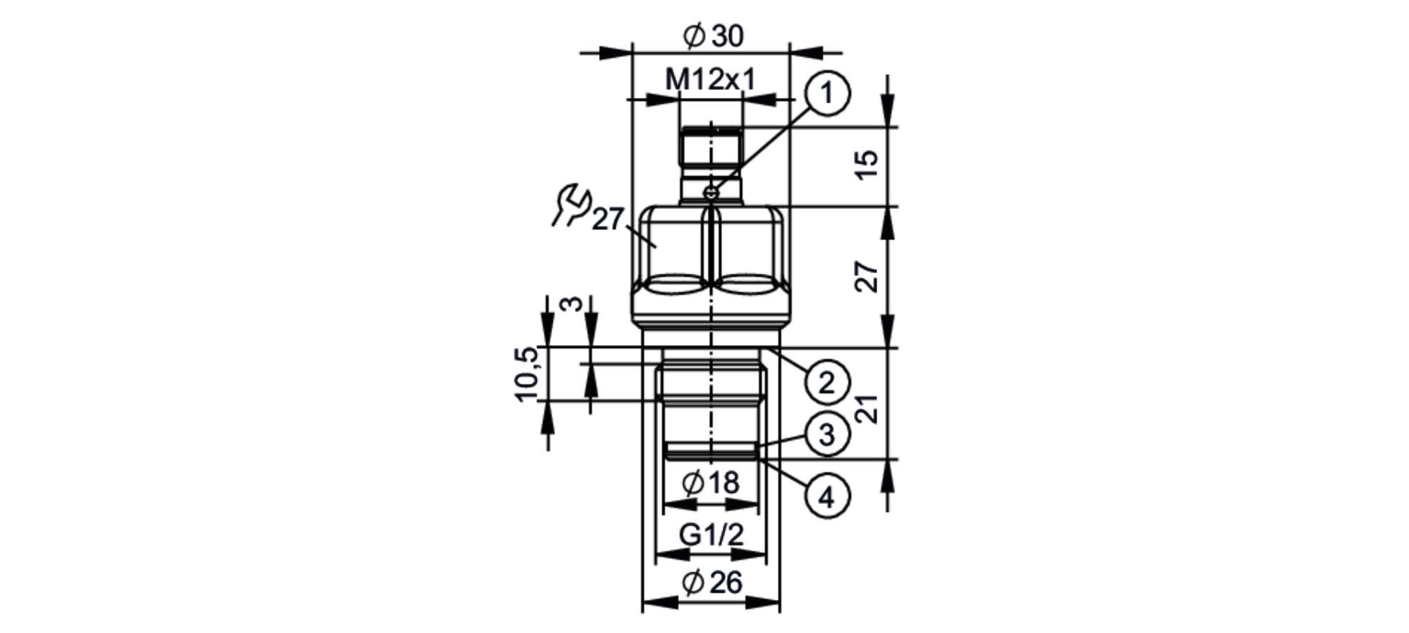
Pressure sensors / Vacuum sensors
Flush mountable for industrial applications
PL1506