• Products
  • Industries
  • IIoT & Solutions
  • Service
  • Company
  1. Products
  2. Image processing / Identification
  3. Vision systems 
  4. Vision systems 
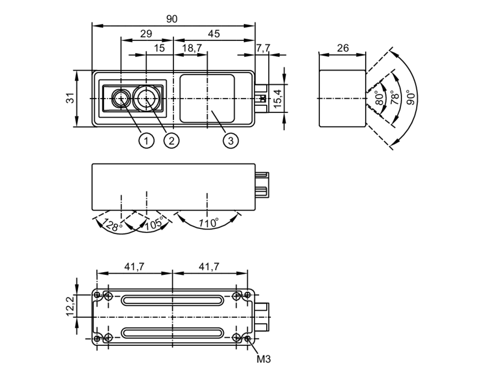
  5. O3R225