Search
LT
Products
Industries
IIoT & Solutions
Service
Company
Products
Accessories
Mounting accessories and fixing technology
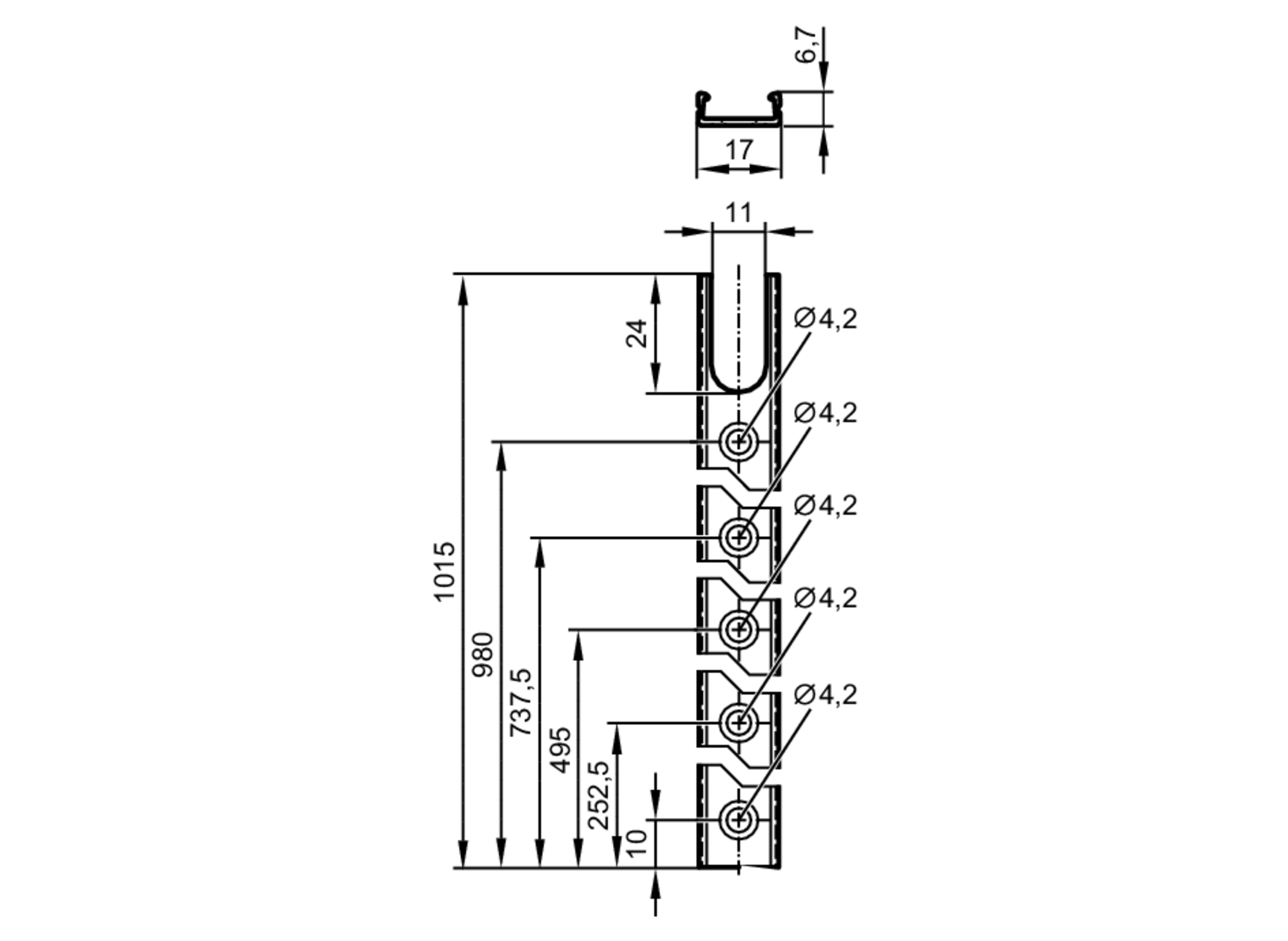
Mounting rods / aluminium profiles
E89034