• Products
  • Industries
  • IIoT & Solutions
  • Service
  • Company
  1. Products
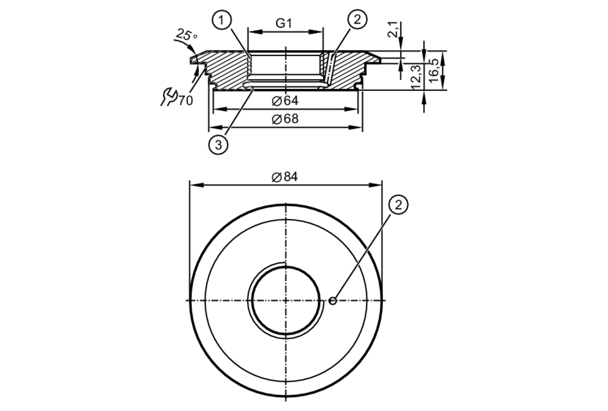
  2. Accessories
  3. Adapters, process connection
  4. Mounting adapters
  5. E33229