Search
LT
Products
Industries
IIoT & Solutions
Service
Company
Products
Accessories
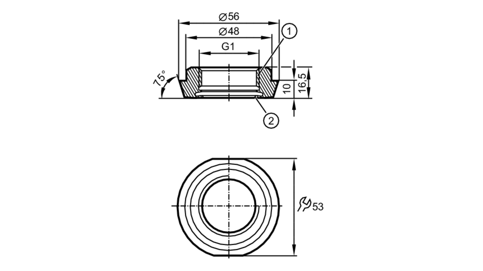
Adapters, process connection
Mounting adapters
E33212