Search
IL
Products
Industries
IIoT & Solutions
Service
Company
Products
Systems for mobile machines
Diagnostic and service units
Mobile IoT - remote diagnostics and service
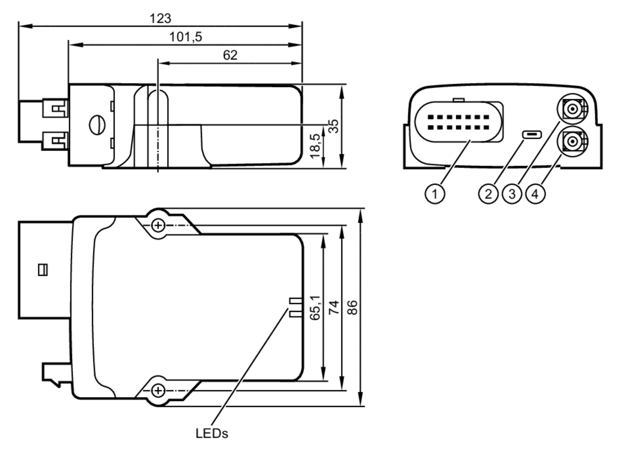
CR3158