Search
EE
Products
Industries
IIoT & Solutions
Service
Company
Products
Sensors
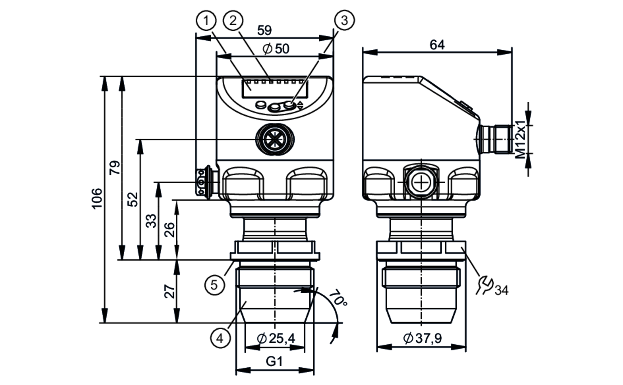
Pressure sensors / Vacuum sensors
Full-metal housing with display for the process technology
PI1805