Search
EE
Products
Industries
IIoT & Solutions
Service
Company
Products
Image processing / Identification
Vision systems
Vision systems
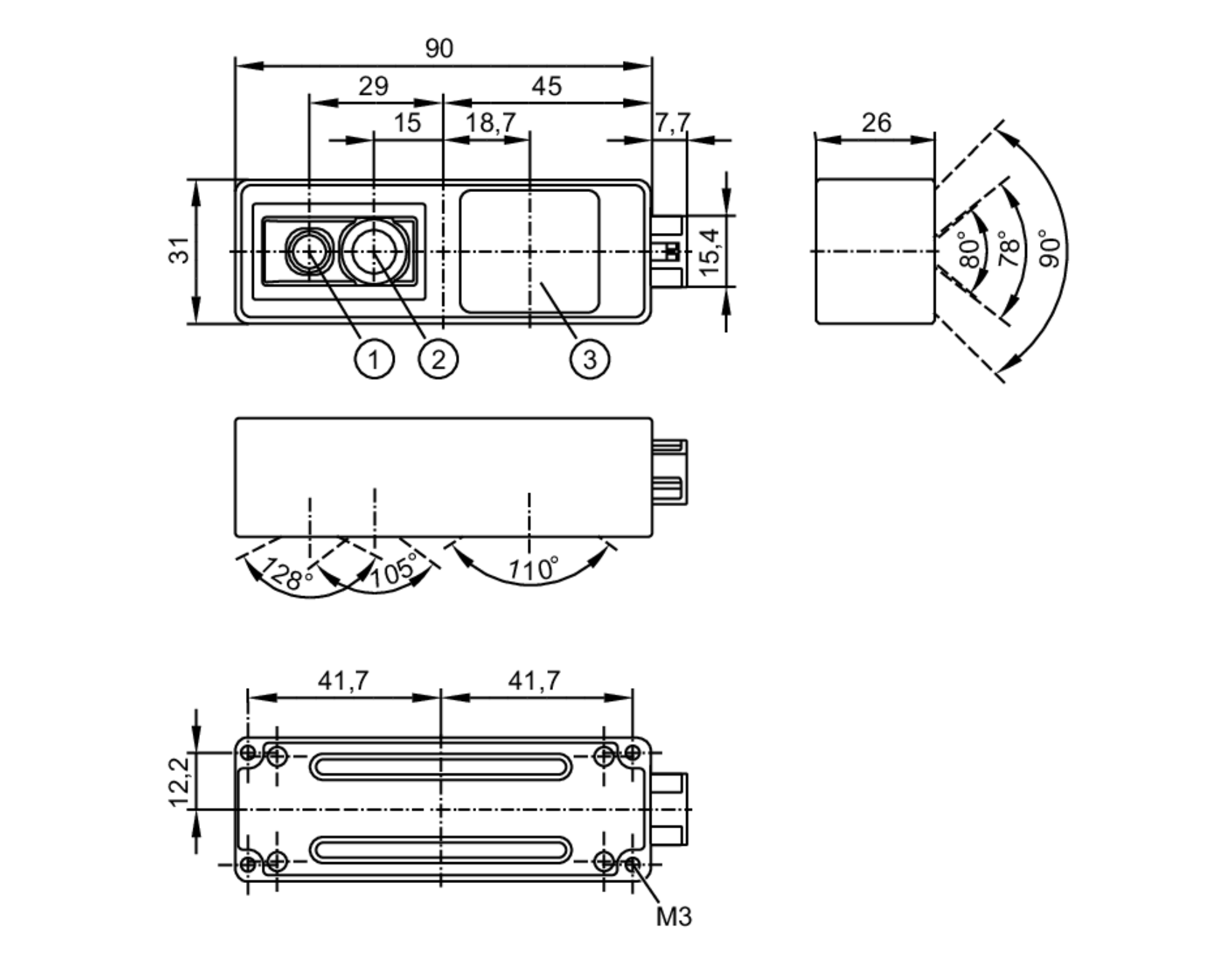
O3R225