Search
EE
Products
Industries
IIoT & Solutions
Service
Company
Products
Accessories
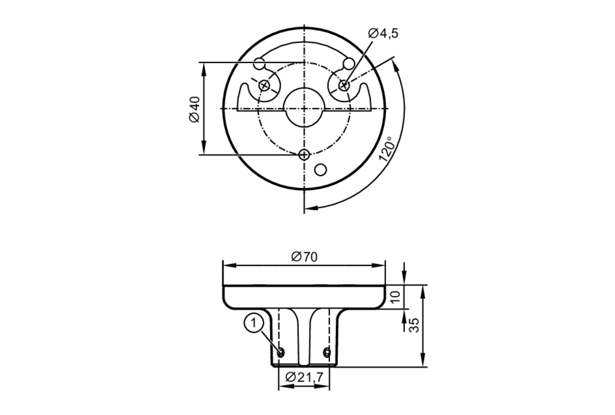
Mounting accessories and fixing technology
Mounting bases / module lower parts
E89060