Search
EE
Products
Industries
IIoT & Solutions
Service
Company
Products
Accessories
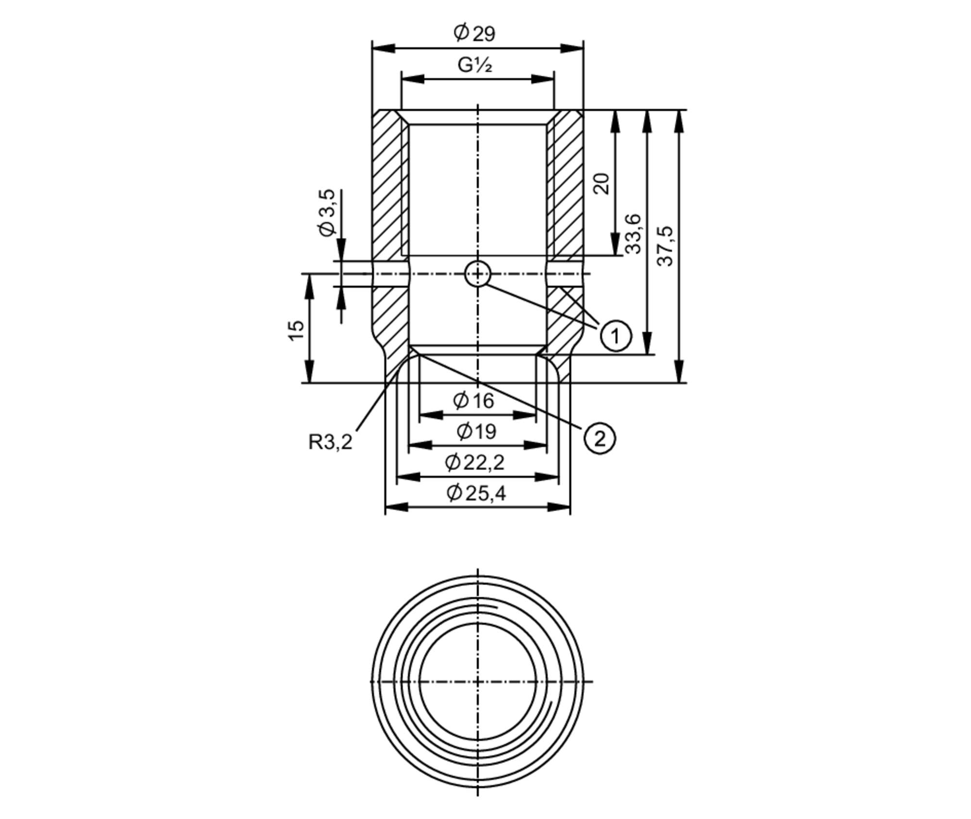
Adapters, process connection
Welding adapters
E43412