• Products
  • Industries
  • IIoT & Solutions
  • Service
  • Company
  1. Products
  2. Accessories
  3. Adapters, process connection
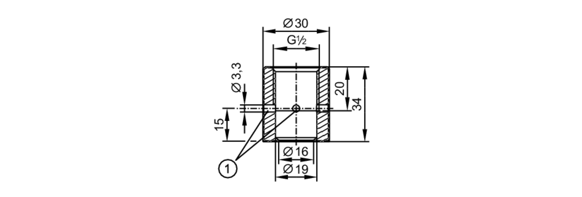
  4. Welding adapters
  5. E43309