• Products
  • Industries
  • IIoT & Solutions
  • Supply Chain Software
  • Service
  • Company
  1. Products
  2. Sensors
  3. Pressure sensors / Vacuum sensors
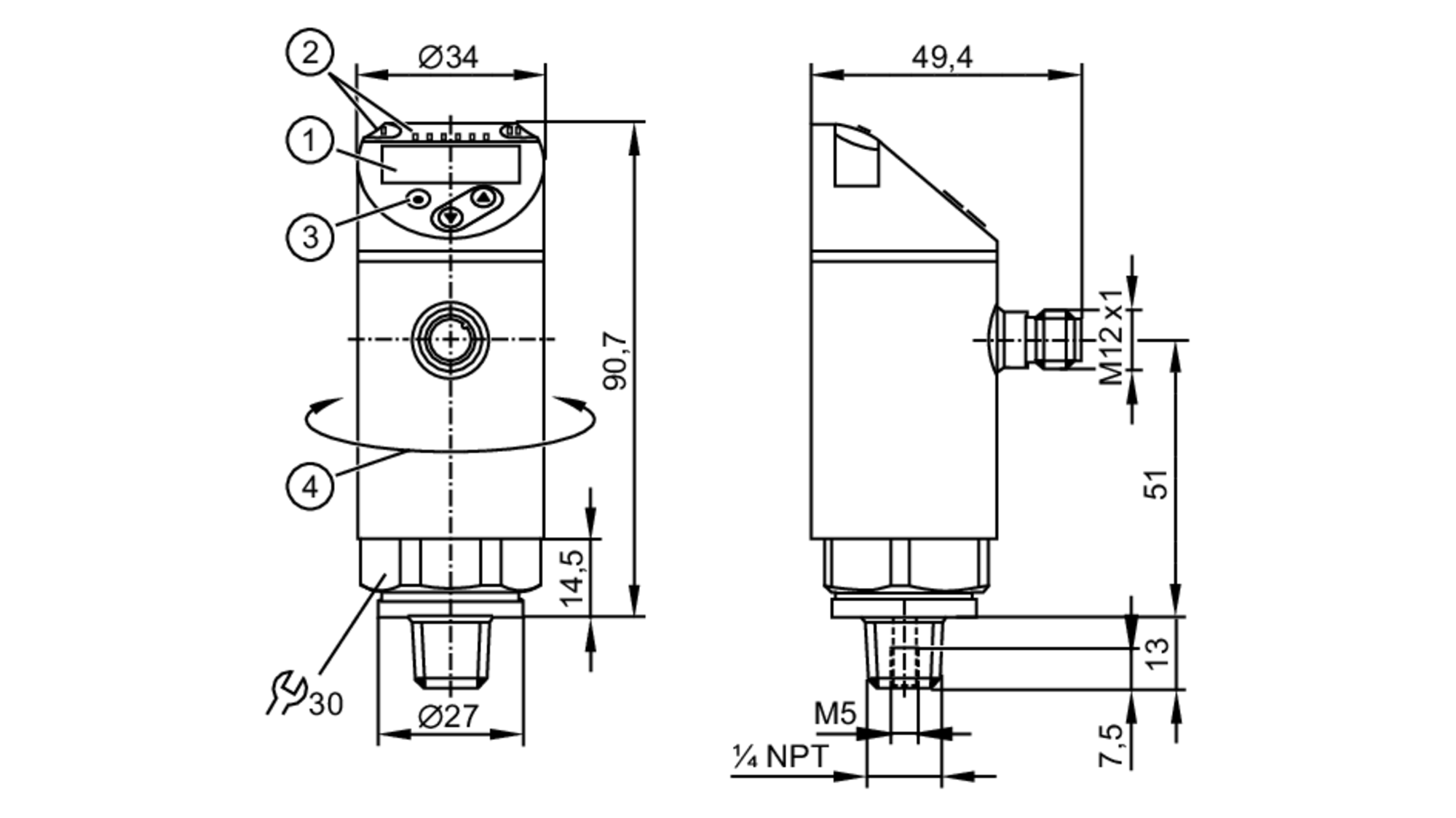
  4. Type PN / PE with digital display
  5. PN7692