Search
DE
Products
Industries
IIoT & Solutions
Supply Chain Software
Service
Company
Products
Sensors
Pressure sensors / Vacuum sensors
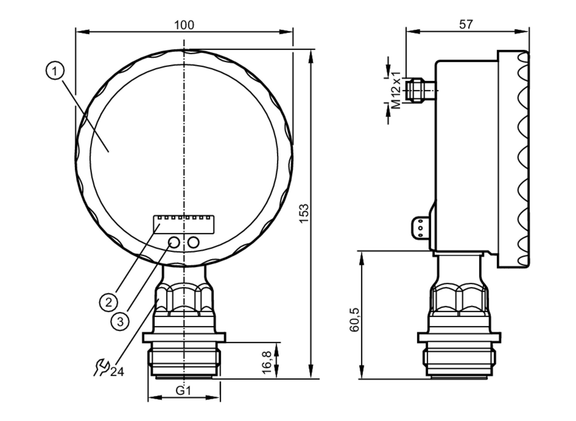
Electronic contact manometers with analogue display
PG2793