Search
DE
Products
Industries
IIoT & Solutions
Supply Chain Software
Service
Company
Products
Image processing / Identification
Vision sensors
2D vision sensors for object recognition and inspection
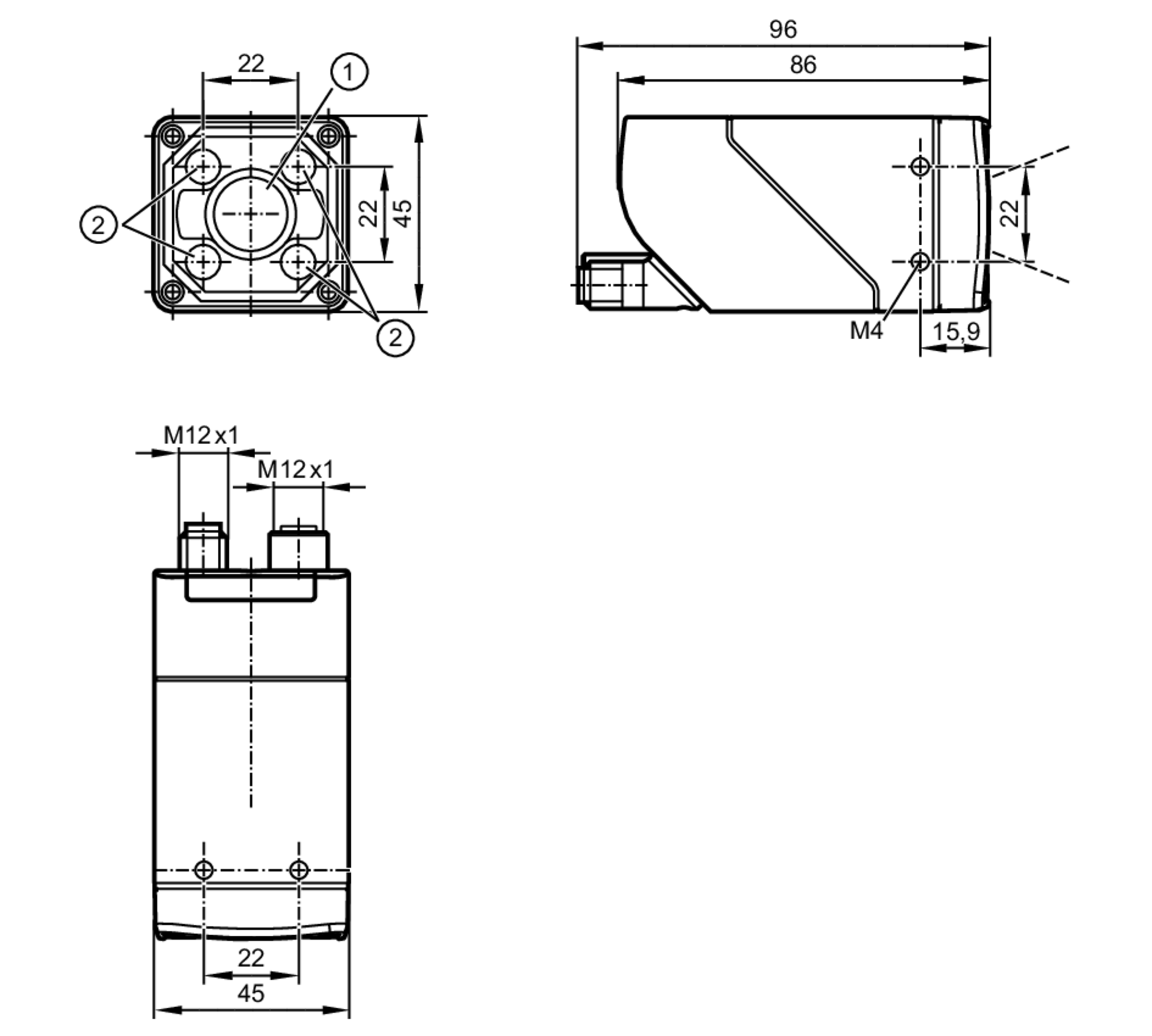
O2D500