• Products
  • Industries
  • IIoT & Solutions
  • Supply Chain Software
  • Service
  • Company
  1. Products
  2. Sensors
  3. Inductive sensors
  4. All inductive sensors
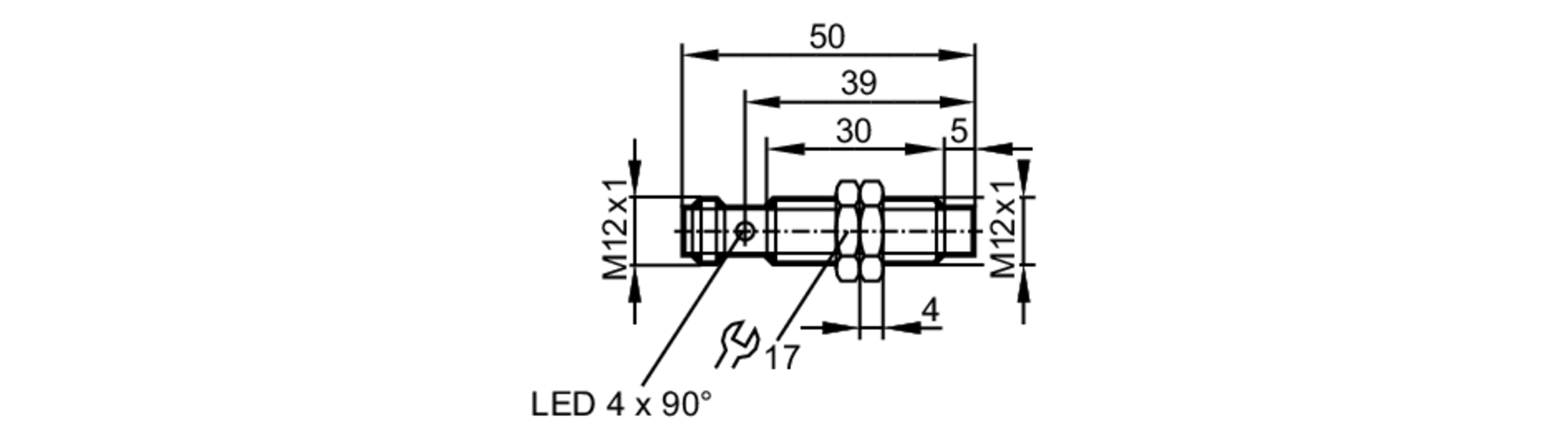
  5. IFS215