You probably do not come from: Germany. If necessary, change to: Canada
ifm-Service-Center 0800 16 16 16 4
  1. Produkte
  2. Sensoren
  3. Ultraschallsensoren
  4. Alle Ultraschallsensoren
  5. UGT202

Ultraschallsensor

UGT202

UGC01200EOKG/US

Ultraschallsensor

UGT202

UGC01200EOKG/US

  • Besonders platzsparende Bauform für den Einsatz in beengten Einbauverhältnissen
  • Ausgangsfunktion Schließer / Öffner programmierbar
  • Berührungslose Erfassung unabhängig von Farbe, Transparenz oder Oberflächenbeschaffenheit des Objektes
  • Einfache Einstellung der Gerätefunktionen mittels Programmierleitung
  • Gut sichtbare LED zur Anzeige von Schaltzustand und Echo
  • ce
  • ukca
  • cul
Produktmerkmale
Elektrische Ausführung PNP
Ausgangsfunktion Schließer / Öffner; (parametrierbar)
Schaltabstand [mm] 80...1200; (Target: 200 x 200 mm)
Gehäuse Gewindebauform
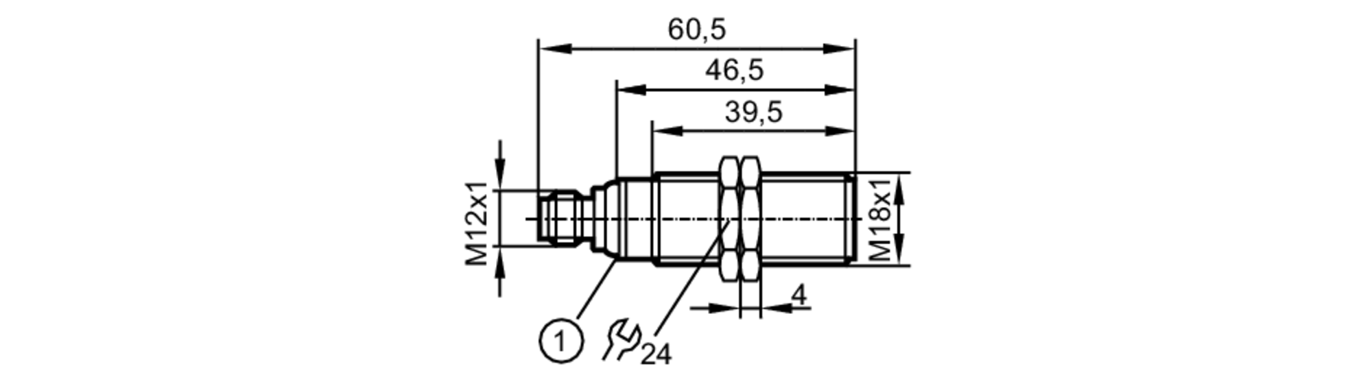
Abmessungen [mm] M18 x 1 / L = 60,5
Elektrische Daten
Betriebsspannung [V] 10...30 DC; ("supply class 2" gemäß cULus)
Stromaufnahme [mA] < 35
Schutzklasse III
Verpolungsschutz ja
Bereitschaftsverzögerungszeit [s] < 0,3
Wandlerfrequenz [kHz] 200
Ein-/Ausgänge
Anzahl der Ein- und Ausgänge Anzahl der digitalen Ausgänge: 1
Eingänge
Synchronisationseingang nein
Multiplexeingang nein
Ausgänge
Gesamtzahl Ausgänge 1
Elektrische Ausführung PNP
Anzahl der digitalen Ausgänge 1
Ausgangsfunktion Schließer / Öffner; (parametrierbar)
Max. Spannungsabfall Schaltausgang DC [V] 2,2
Dauerhafte Strombelastbarkeit des Schaltausgangs DC [mA] 100
Schaltfrequenz DC [Hz] 3
Kurzschlussschutz ja
Überlastfest ja
Erfassungsbereich
Schaltabstand [mm] 80...1200; (Target: 200 x 200 mm)
Blindzone [mm] 80
Öffnungswinkel zylindrisch [°] 14; (±2)
Max. Abweichung vom 90° Winkel Sensor / Objekt [°] ± 4
Genauigkeit / Abweichungen
Temperaturkompensation ja
Hysterese [%] < 1
Schaltpunktdrift [%] -5...5
Wiederholgenauigkeit 1 %
Auflösung [mm] 3
Hinweise zur Genauigkeit / Abweichung Die angegebenen Werte werden nach einer Aufwärmzeit von mindestens 20 Minuten erreicht
Umgebungsbedingungen
Umgebungstemperatur [°C] -20...70
Lagertemperatur [°C] -30...80
Schutzart IP 67
Zulassungen / Prüfungen
EMV
EN 61000-4-2 ESD 4 kV CD / 8 kV AD
EN 61000-4-3 HF gestrahlt 3 V/m
EN 61000-4-4 Burst 2 kV
EN 61000-4-6 HF leitungsgebunden 3 V
EN 55011 Klasse A
Schwingfestigkeit
EN 60068-2-6 Fc (10-55) Hz 1 mm Amplitude, Schwingdauer 5 min., 30 min. je Achse bei Resonanz oder 55 Hz
Schockfestigkeit
EN 60068-2-27 Ea 30 g 11 ms Halbsinus; je 3 Schocks in jede Richtung der 3 Koordinatenachsen
MTTF [Jahre] 210
UL-Zulassung
Ta -20...70 °C
Spannungsversorgung Class 2
File Nummer UL E174191
Mechanische Daten
Gewicht [g] 57,5
Gehäuse Gewindebauform
Abmessungen [mm] M18 x 1 / L = 60,5
Gewindebezeichnung M18 x 1
Werkstoffe PBT; PA; Epoxid-Glaskeramik
Anzugsdrehmoment [Nm] 1
Anzeigen / Bedienelemente
Anzeige
Schaltzustand 1 x LED, gelb
Echo 1 x LED, grün
Zubehör
Lieferumfang
Befestigungsmuttern: 2, Kunststoff
Gummischeiben: 2
Bemerkungen
Bemerkungen
Betriebsspannung "supply class 2" gemäß cULus
Verpackungseinheit 1 Stück
Elektrischer Anschluss
Anschluss Steckverbindung: 1 x M12; Codierung: A
Diagramme und Kurven
1: Distanz
2: Erfassungsbereich
3: Anfahrkurve
4: Target 200 x 200 mm
5: 50 % des Targets im Erfassungsbereich
6: Schaltpunkt