Suchen
CH
Produkte
Industrien
IIoT & Lösungen
Service
Unternehmen
Produkte
Condition Monitoring
Systeme zur Schwingungsüberwachung und -diagnose
Schwingungssensoren und -transmitter
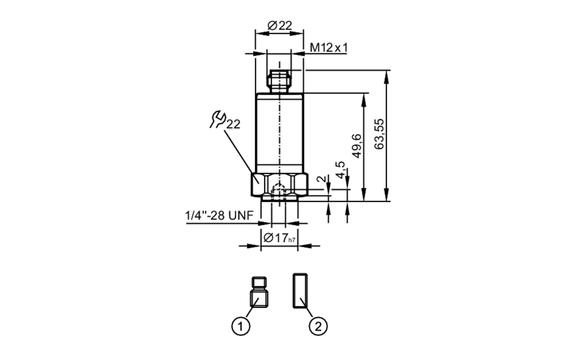
VVB001