• Produkte
  • Industrien
  • IIoT & Lösungen
  • Service
  • Unternehmen
  1. Produkte
  2. Sensoren
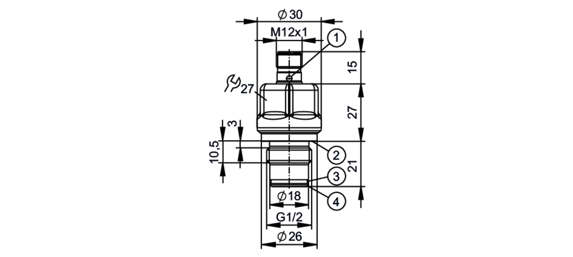
  3. Drucksensoren / Vakuumsensoren
  4. Frontbündig für industrielle Anwendungen
  5. PL1514