• Produkte
  • Industrien
  • IIoT & Lösungen
  • Service
  • Unternehmen
  1. Produkte
  2. Verbindungstechnik
  3. Verbindungskabel
  4. Verbindungskabel
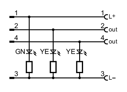
  5. EVC135